雜訊遮斷變壓器(雷擊突波)
Denkenseiki(電研精機研究所)成立於1960年,產品輸出容量最高支援500VA,可防護高達5000V的雜訊突波,在雜訊遮斷領域領先地位,以『普及雜訊干擾防治技術』為使命,將創業以來積累的技術成果提供給世界,為AI、半導體、精準測量、資訊化社會。
推薦應用:
●防護雷擊突波、開關突波、短路事故
●同時防護雜訊及雷擊突波
●安裝空間有限
●適合放入系統櫃、電控箱
推薦應用:
●防護雷擊突波、開關突波、短路事故
●同時防護雜訊及雷擊突波
●安裝空間有限
●適合放入系統櫃、電控箱
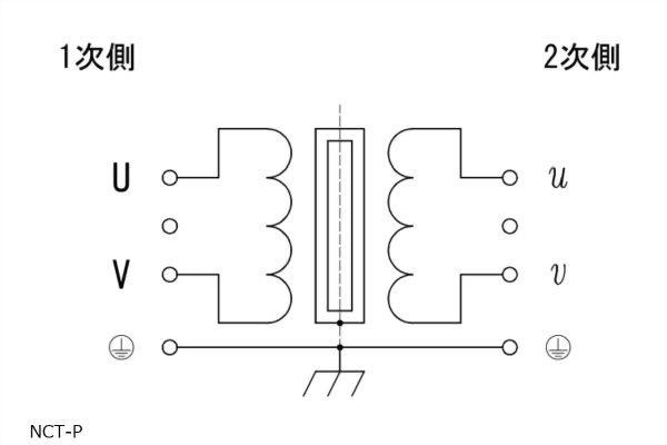
型號 :
NCT-P
